Svar:
Detta beror på var i fastigheten EnergyHubbens funktioner ska utnyttjas. EnergyHub har fasbalanseringsfunktion och växelriktarfunktion. Fasbalanseringsfunktionen kan balansera ut uttagen ström både från en huvudcentral (mot det allmänna elnätet) eller i undercentral (där det t.ex. sitter elbilar). Rent genrellt gäller alltid att fasbalansering sker mot den del av husets elinstallation som strömtransformatorerna är anslutna på.
För växelriktarfunktionen spelar placering mindre roll utan där måste bara säkringarna och kablage klara av strömmen.
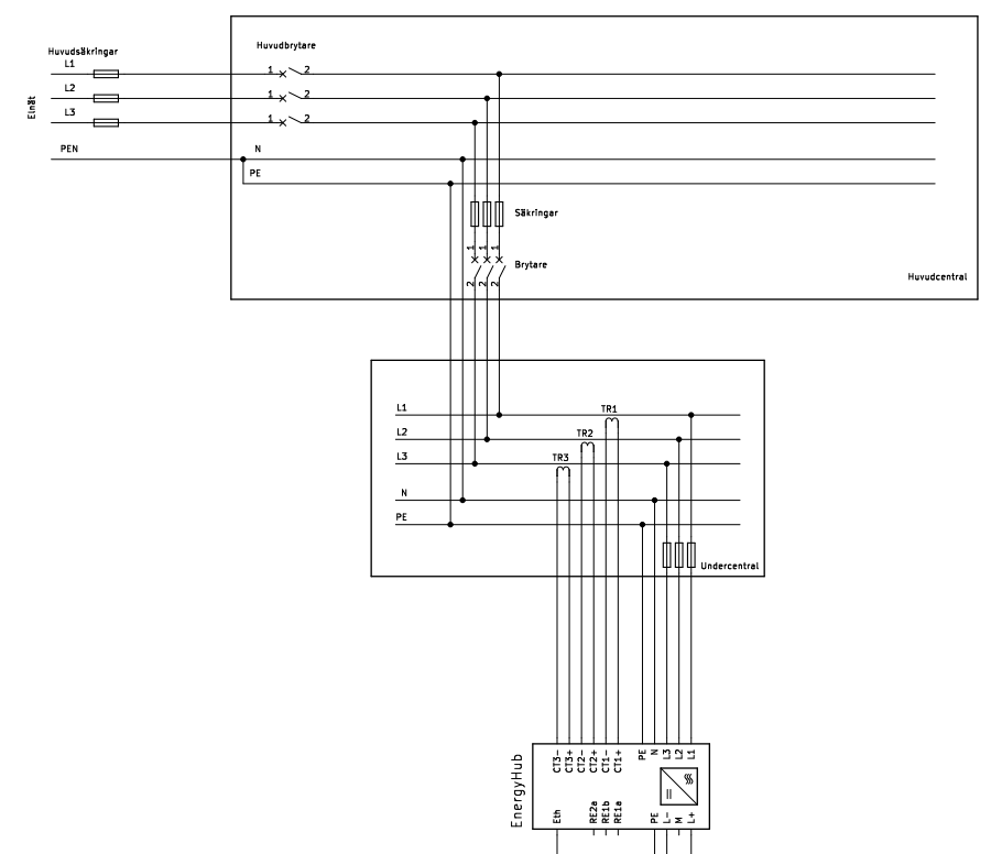
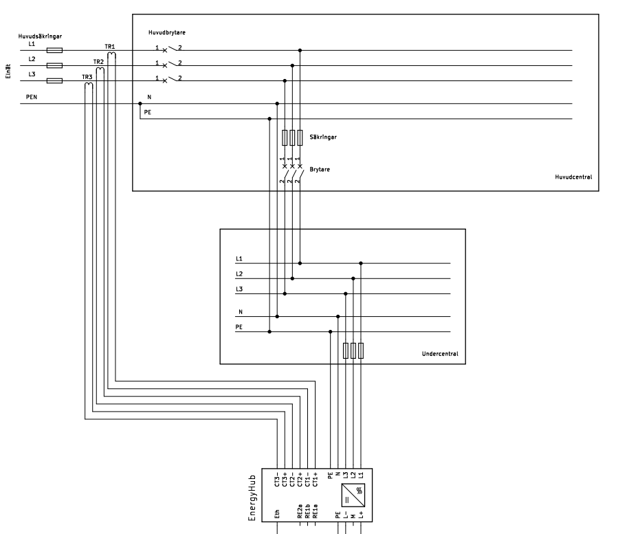
Placering av EnergyHub kan delas upp i 3 användningsfall.
Användningsfall 1)
Det vanligaste användningsfallet som gäller det flesta installationer är att EnergyHubben och strömtransformatorer ansluts vid fastighetens huvudcentral. I detta fallet kommer EnergyHubben att fasbalansera mot inkommande från elnätet i huset och se till så att inte huvudsäkringarna går.

Användningsfall 2)
Detta användningsfall gäller när man vill att EnergyHub ska balansera ut uttagen ström vid en undercentral för att t.ex. skydda en kabel mellan undercentral och huvudcentral. I detta fallet kommer EnergyHubben att fasbalansera mot huvudcentralen och se till så att inte säkringar i huvudcentralen mot undercentral går. Viktigt att tänka på är att nolledaren mellan EnergyHub och Undercentral måste klara 1,7 gånger så stor ström som maximal fasbalansering.

Användningsfall 3)
Det sista användningsfallet är om du vill placera EnergyHub i en undercentral men strömtransformatorer vid huvudcentral. Då kommer fasbalansering ske mot inkommande till fastigheten men all ström matas ut i undercentralen. Detta kan vara på grund av platsbrist eller av nödvändighet. Då måste nolledaren klara 1.7 gånger så ström stor hela vägen från EnergyHub till Huvudcentral
Vi vill ständigt förbättra innehållet i Kunskapsdatabasen och uppskattar därför om du lämnar feedback på våra artiklar. Finns all information du behöver, är det något som borde förtydligas eller saknas information som skulle underlätta installation eller användning av Ferroamp-systemet i allmänhet? Feedback lämnar du genom att svara på om artikeln var till hjälp nedan.
Om du behöver komma i kontakt med Ferroamp för teknisk support eller frågor om systemet gör du detta genom att skapa ett ärende här.

Var artikeln till hjälp?
Toppen!
Tack för din feedback
Vi beklagar att det inte var till hjälp
Tack för din feedback
Feddback skickat
Vi uppskattar din feedback och uppdaterar artikeln vid behov

